Видное, Каширское шоссе, 26-й километр, с24
с 8:00 до 17:00 (Пн-Чт)
с 8:00 до 16:00 (Пт)
+7-495-999-0044
info@a-agregat.ru
a-agregat@yandex.ru
Шланг изготовлен в России из высококачественных материалов. Качество как в оригинале!
Совместим с окрасочными аппаратами Graco King XL
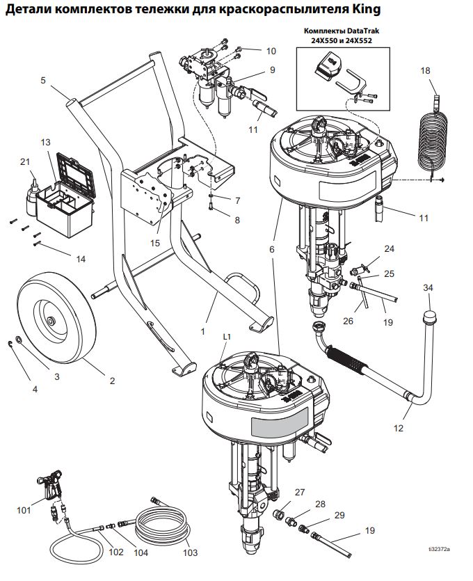
Схема насоса окрасочного аппарата высокого давления Graco King.
Деталь насхеме № 12, 25D515 ШЛАНГ всасывающий, 19 л (5 галл.), резьба NPT 1-1/4 дюйма

1 - - - - - ТЕЛЕЖКА 1
2 - - - - - КОЛЕСО 2
3 154628 ШАЙБА 2
4 113436 КОЛЬЦО стопорное 2
5 113361 ЗАГЛУШКА трубная, круглая 2
6 - - - - - НАСОС 1
7 100133 ШАЙБА стопорная, 3/8 дюйма 4
8 100101 ВИНТ крепежный, с шестигранной головкой 4
9 - - - - - ПНЕВМОКЛАПАНЫ 1
17N621 Стандартный фильтр/регулятор
25D529 Фильтр/регулятор и смазочное
устройство
10 112395 ВИНТ крепежный, с фланцевой
головкой
4
11 - - - - - ЛИНИЯ ПОДАЧИ ВОЗДУХА 1
17S137 ШЛАНГ для моделей с номером,
заканчивающимся на 1
17V125 ШЛАНГ для моделей с номером,
заканчивающимся на 2
12 25D515 ШЛАНГ всасывающий, 19 л
(5 галл.), резьба NPT 1-1/4 дюйма 1
13 25D498 ЯЩИК ДЛЯ ИНСТРУМЕНТОВ, черный 1
14 115248 ВИНТ крепежный, с шестигранной головкой 4
15 114231 ГАЙКА стопорная, шестигранная (стандартная) 4
18 244524 ПРОВОД блока заземления, с клеммой 1
21 206994 ЖИДКОСТЬ TSL, емкость 240 мл (8 унций) 1
30* - - - - - ПРЕДОХРАНИТЕЛЬНЫЙ КЛАПАН 1
113498 110 фнт/кв. дюйм, модели K30–K70
116643 90 фнт/кв. дюйм, модель К90
31 17V369 КОМПЛЕКТ краскораспылителя, без навесного оборудования 1
33 17V371 КОМПЛЕКТ краскораспылителя, с насосом, фильтром 1
34 181072 КОМПЛЕКТ ремонтный, сетчатый фильтр 1
| Запчасти для окрасочного аппарата безвоздушного распыления | |
| Номер в каталоге Graco | 25D515 |